Στείλτε μας email
Νέα

Κατασκευή και συντήρηση μίνι εκσκαφέων

Κατασκευή και συντήρηση μίνι εκσκαφέων


Mini Excavator Construction Innovation and Intelligent Συντήρηση: Μικρό σώμα που μεταφέρει μεγάλα έργα


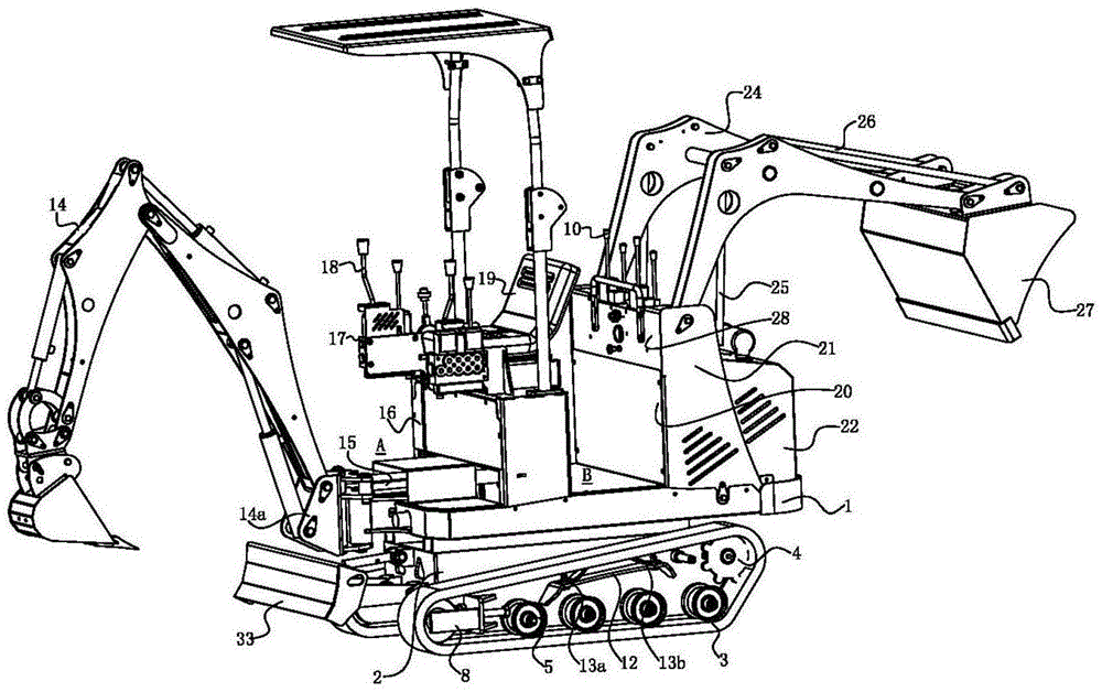
1 、 Ανάλυση της κατασκευής μίνι εκσκαφέων: Τέσσερις διαστάσεις Τεχνολογίας Αναμορφώνοντας τον «Μαγικό Διαστημικό»

Πλαίσιο και σύστημα πεζοπορίας:


Σχεδιασμός στροφής Tailless: Μοντέλα όπως το Sany SY18U υιοθετούν μια δομή "μηδενικής προεξοχής ουράς", με ακτίνα στροφής ουράς μόνο 0,86 μέτρων, επιτρέποντας την ελεύθερη περιστροφή 360 ° σε στενές σήραγγες χωρίς να συγκρουστεί με τοίχους. Ταυτόχρονα, ο εκσκαφέας μίνι 0.8ton μπορεί επίσης να επιτύχει ακτίνα στροφής 1,1m, επιτρέποντας δωρεάν και ευέλικτη λειτουργία σε στενούς χώρους.


Ρυθμιζόμενο πλαίσιο τροχιάς: Ο μετρητής τροχιάς μπορεί να ρυθμιστεί ελεύθερα (όπως το SY16C που υποστηρίζει την επέκταση και τη συστολή της SY16C), καθιστώντας εύκολο να διασχίσει στενά σοκάκια 1 μέτρου. Η πίεση γείωσης από καουτσούκ είναι τόσο χαμηλή όσο 25kpa, προστατεύοντας το πλακόστρωτο έδαφος.


Αυτο -λίπανση ρουλεμάν: Το σασί Yanmar χρησιμοποιεί πλαστικά ρουλεμάν σε σειρά Iglidur G αντί για παραδοσιακά ρουλεμάν, τα οποία είναι αντι -ρύπανση, αντιρρήσεις και χωρίς συντήρηση, αυξάνοντας τη διάρκεια ζωής κατά τρεις φορές.




Ισχύς και υδραυλικό σύστημα:


Ανακάλυψη ισχύος διπλής λειτουργίας: Ο μικρός εκσκαφέας υιοθετεί το Kubota KX019, το οποίο υποστηρίζει το Diesel/Electric One Click Switching, ένα πακέτο μπαταρίας 20kWh παρέχει 8 ώρες και ο θόρυβος της εσωτερικής λειτουργίας είναι τόσο χαμηλός όσο 66 ντεσιμπέλ.


Ευφυής υδραυλικός έλεγχος: Η τεχνολογία ευαίσθητη στο φορτίο (όπως το Shengang SK35SR-6) επιτυγχάνει ακρίβεια κατανομής ροής ± 1,8%, ταχύτητα απόκρισης σύνθετης δράσης 0,7 δευτερολέπτων και μείωση της κατανάλωσης ενέργειας κατά 22%.




Ενίσχυση του εξοπλισμού εργασίας:


Η ανθεκτική δομή της φθοράς: Η αρθρωτή άρθρωση της έκρηξης του συμπαγούς εκσκαφέτη έχει υποβληθεί σε θερμική επεξεργασία (σκληρότητα HRC55+) και ο κάδος είναι συγκολλημένος με ανθεκτική σε σκληρή πλάκα ανθεκτική σε φθορά (σκληρότητα HB500), επεκτείνοντας την διάρκεια ζωής του κατά 30%.


Το δίπλωμα ευρεσιτεχνίας του πλευρικού βραχίονα: Το Kubota U-15-3S επιτυγχάνει αριστερή απόκλιση 595mm/δεξιάς απόκλισης 350mm και η ανασκαφή με τοίχο δεν απαιτεί τη μετακίνηση του σώματος.


Ροταριανή συσκευή, 360 ° Λειτουργία σε όλη τη στρογγυλή λειτουργία, ευέλικτη για να προσαρμοστεί σε διάφορα εργασιακά περιβάλλοντα.


Αναβάθμιση αλληλεπίδρασης ανθρώπινου υπολογιστή


Roll Over Resistant CAB: Πιστοποιημένη από ROPS/FOPS (ανθεκτικό σε 16 τόνους στατικής πίεσης), εξοπλισμένο με πλωτά καθίσματα, οθόνη αφής LCD και παρακολούθηση προβολής AI Surround, μειώνοντας τα τυφλά σημεία κατά 40%.


2 、 Συντήρηση και καθημερινή συντήρηση:

Ο χρυσός κανόνας της καθημερινής συντήρησης


Διαχείριση υδραυλικού πετρελαίου: Χρησιμοποιήστε αντι-wear υδραυλικό πετρέλαιο αριθ. 68 το καλοκαίρι και το λάδι χαμηλού ιξώδους αριθ. 32 το χειμώνα. Ελέγξτε τακτικά την καθαριότητα του NAS (≤ επίπεδο 8) για να αποφύγετε τη φθορά της αντλίας και της βαλβίδας.


Κύκλος πλήρωσης βουτύρου: Έγχυση λίπους κάθε 10 ημέρες για το περιστροφικό ρουλεμάν και εισάγετε λίπος υψηλής πίεσης κάθε 4-8 ώρες για το σημείο άρθρωσης της συσκευής εργασίας για να αποφύγετε τον άξονα του πείρου να κολλήσει.




Βασική τεχνική επέκτασης ζωής του στοιχείου:


ΣΥΣΤΗΜΑ ΤΟΠΟΘΕΤΗΣΗΣ: Ρυθμίστε την τάση για να αποφύγετε να είστε πολύ χαλαρά (δόντια άλματος) ή πολύ σφιχτά (επιταχυνόμενη φθορά). Καθαρίστε τακτικά το χαλίκι για να αποτρέψετε την αποτυχία σφράγισης του τροχού στήριξης.


Συντήρηση του "Wear Iron Triangle":

Παρακολούθηση επιθεώρησης παπουτσιών για ρωγμές/500h

Τα δόντια οδήγησης οδήγησης είναι επίπεδη και αντικαθίστανται αμέσως

Η διαρροή λαδιού σφράγισης αδρανούς τροχού πρέπει να επισκευαστεί

Σύμφωνα με τα στατιστικά στοιχεία CAT Stowers, το 80% των αποτυχιών του πλαισίου προκαλείται από αυτούς τους τρεις τύπους εξαρτημάτων.


Οδηγίες για τον χειρισμό ακραίων συνθηκών εργασίας:


Λειτουργία μεγάλου υψομέτρου: Ο υπερσυμπιεσμένος κινητήρας του μίνι εκσκαφέας έχει αντιστάθμιση ισχύος 15%και το υδραυλικό σύστημα είναι εξοπλισμένο με βαλβίδα αντιστάθμισης πίεσης για την πρόληψη της απώλειας ροής.

Λειτουργία νερού: Στην ιταλική διάσωση πλημμυρών, το σύγχρονο HX35AZ πέτυχε βάθος βάμβας 0,8 μέτρων μέσω μιας σφραγισμένης μονάδας κυκλώματος.


Μακροπρόθεσμα πρότυπα αποθήκευσης:


Πάρκο σε ένα ξηρό δωμάτιο, υποστηρίξτε τις διαδρομές για να μειώσετε την πίεση γείωσης.

Γεμίστε τη δεξαμενή καυσίμου για να αποφύγετε τη συμπύκνωση, να αποσυρθείτε όλους τους υδραυλικούς κυλίνδρους για να αποφύγετε τη γήρανση της σφράγισης.

Ξεκινήστε μία φορά κάθε 3 μήνες για να αποτρέψετε την υγρασία του πίνακα κυκλώματος.


3 、 Technological Frontier: Ηλεκτροκίνηση και έξυπνη αναδιάρθρωση της βιομηχανικής οικολογίας

Επανάσταση ισχύος:


Modular Battery: Το Hitachi ZX55U-6EB υποστηρίζει τη διπλή κίνηση της εμπορικής ισχύος και της μπαταρίας, με γρήγορη φόρτιση 2 ωρών για να καλύψει 10 ώρες λειτουργίας σε 6 ώρες.


Δοκιμή ενέργειας υδρογόνου: Η HD Hyundai έχει αναπτύξει έναν κινητήρα καυσίμου υδρογόνου (HX12) για να επιτύχει μηδενική κατασκευή άνθρακα.


Προγνωστική συντήρηση:


Η απομακρυσμένη διάγνωση του IoT: Το Sany SY35U είναι εξοπλισμένο με σύστημα HI Mate, το οποίο αναλύει τα δεδομένα θερμοκρασίας και κραδασμών λαδιού σε πραγματικό χρόνο, με ποσοστό προειδοποίησης σφάλματος 92%.


Βοήθεια συντήρησης AR: Το Kaise Micro Excavator παρέχει κατάρτιση λειτουργίας VR για μικρούς εκσκαφείς, προσομοιώνοντας 30 σενάρια σφάλματος και βελτιώνοντας την αποτελεσματικότητα συντήρησης κατά 40%.


4 、 Πρακτικός μάρτυρας: Από την αρχαία αποκατάσταση του σπιτιού μέχρι την εξόρυξη

Η αποκατάσταση της διαμονής ενός μελετητή δυναστείας Ming και Qing στο Taizhou: Ο μικρός εκσκαφέας Kubota U-15-3 ολοκλήρωσε την ανασκαφή ενός υπόγειου σωλήνα μέσω ενός τόξου 0,85 μέτρων και η λειτουργική λειτουργία της πλευρικής κίνησης της άνθησης προστατεύει το αρχαίο τοίχωμα με 95% άθικτο ρυθμό.


Υπόγεια επιχειρήσεις σε ορυχείο χαλκού Χιλής: ένας συμπαγής εκσκαφέας με τροποποιημένη ενισχυμένη καμπίνα που λειτουργεί συνεχώς για 300 ώρες χωρίς δυσλειτουργίες, με αποτέλεσμα τη μείωση του κόστους φόρτωσης κατά 23%.


Δημοτική κατασκευή του Τόκιο: Η καθαρή ηλεκτρική έκδοση του Sany SY19E Mini Excavator λειτουργεί σιωπηλά σε 66 ντεσιμπέλ, επίλυση του προβλήματος του "κατασκευαστικού χρονικού παραθύρου" της πόλης.


Συμπέρασμα: Ένα μικρό σώμα φέρει ένα μεγάλο μέλλον

Από το υπερ-λεπτό μοντέλο 0,8 τόνων στον πολεμιστή βαρέως τύπου 4 τόνων, οι μικροί εκσκαφείς υποβάλλονται σε τριπλή εξέλιξη της κατασκευής ακριβείας, διαφοροποιημένες πηγές ενέργειας και ευφυής συντήρηση, αναδιαμόρφωση του παγκόσμιου παραδείγματος κατασκευής. Με ετήσιες πωλήσεις που υπερβαίνουν τις 3100 μονάδες στην ινδική αγορά και εκτιμώμενο ποσοστό διείσδυσης 40% για τους ηλεκτρικούς κινητήρες μέχρι το 2025, αυτή η τεχνολογική επανάσταση του "χρησιμοποιώντας το Small to Big" προορίζεται να αποκαλύψει μια χρυσή ευκαιρία στην αγορά τρισεκατομμυρίων δολαρίων.


Εμπειρία συντήρησης της βιομηχανίας:

Για τους συμπαγείς εκσκαφείς, ο σχεδιασμός ακριβείας είναι η ραχοκοκαλιά, ενώ η έξυπνη συντήρηση είναι η ψυχή της ζωής, εξοικονομώντας έξοδα συντήρησης κατά 1 γιουάν και μειώνοντας τα έξοδα επισκευής κατά 10 γιουάν.



Σχετικά Νέα
Αφήστε μου ένα μήνυμα
ΗΛΕΚΤΡΟΝΙΚΗ ΔΙΕΥΘΥΝΣΗ
market@everglorymachinery.com
Τηλ
+86-18153282520
Κινητό
Διεύθυνση
Changjiang West Road, Huangdao District, Qingdao City, Shandong Province, Κίνα
X
Χρησιμοποιούμε cookies για να σας προσφέρουμε καλύτερη εμπειρία περιήγησης, να αναλύσουμε την επισκεψιμότητα του ιστότοπου και να εξατομικεύσουμε το περιεχόμενο. Χρησιμοποιώντας αυτόν τον ιστότοπο, συμφωνείτε με τη χρήση των cookies από εμάς. Πολιτική Απορρήτου
Απορρίπτω Αποδέχομαι